Ersatzteile Schaltwerk Shimano Dura Ace RD 7900
Das 10 fach Profischaltwerk aus der Shimano Dura Ace Serie 7900, mit Carbon Schaltarm, Titan Schrauben und groesserer Schaltkapazitaet. Das super leichte high End Schaltwerk von Shimano. Kompatibel mit den Compact und Standard Rennradkurbeln
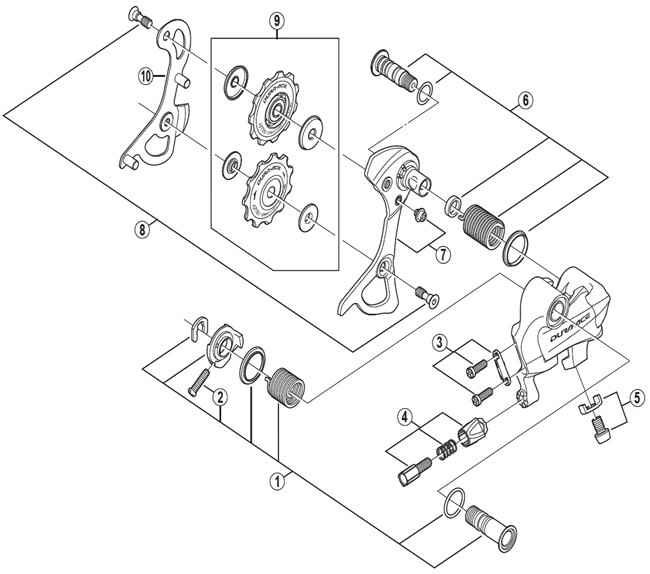
Shimano Dura Ace RD 7900 Schaltwerk Ersatzteile:
- Nr 1 : Y5X098010, Befestigungsschraube
- Nr 2 : Y55625080, Einstellschraube fuer Spannfeder B M4x12
- Nr 3 : Y5X098020, Anschlagschraube mit Platte M4x11.5
- Nr 4 : Y5X098030, Schaltzug-Einstellschraube
- Nr 5 : Y5X098040, Schaltzug-Befestigungsschraube mit Gegenplatte
- Nr 6 : Y5X098050, Achse fuer Kettenleitwerk
- Nr 7 : Y5X098060, Kettenleitblech aussen mit Stop Pin
- Nr 8 : Y5X098080, Schrauben fuer Leit- und Schaltrollen
- Nr 9 : Y5X098140, Schaltrollensatz
- Nr 10 : Y5X098130, Kettenleitblech innen




Rezensionen
Es gibt noch keine Rezensionen.