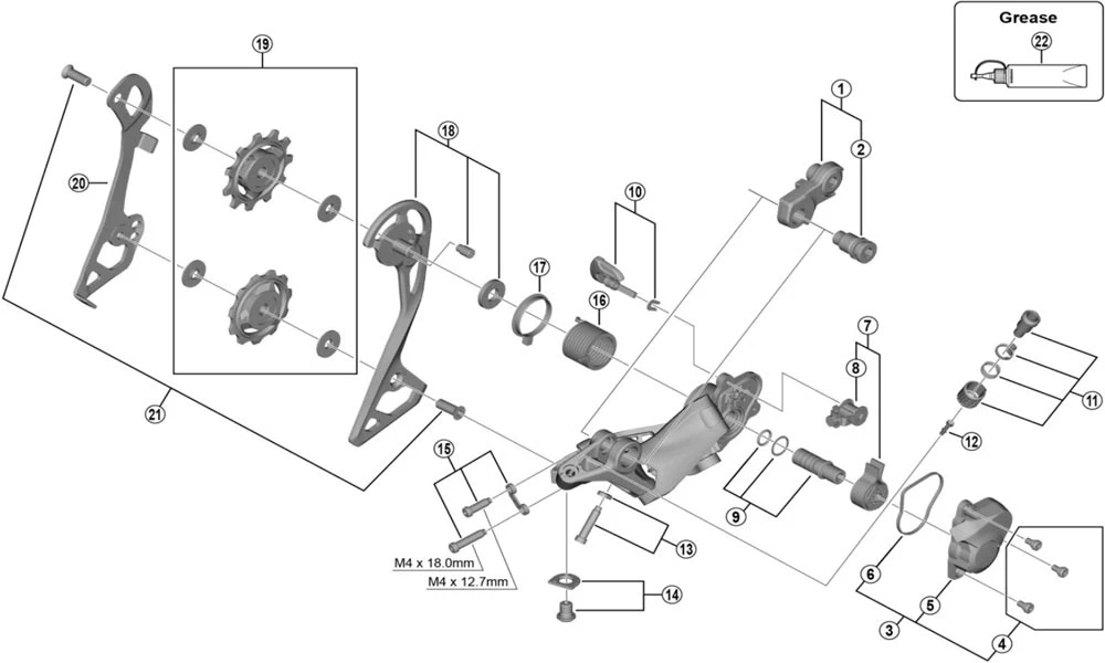
Ersatzteil Shimano Ultegra RX RD-RX800-GS
Im Lieferumfang Nr 15 der Explosionszeichnung.
Shimano Ultegra RX RD-RX800-GS 11-fach Schaltwerk Ersatzteile:
- Nr 1 : Y3E998020 – Achseinheit fuer Schaltwerk-Halter
- Nr 2 : Y3E958000 – Achse fuer Schaltwerk-Halter Direct Mount
- Nr 3 : Y3FK98010 – Gehaeuseabdeckung komplett
- Nr 4 : Y5Y198070 – Schrauben fuer Gehaeuseabdeckung
- Nr 5 : Y3FK42000 – Gehaeuseabdeckung
- Nr 6 : Y3FK41000 – Dichtring fuer Gehaeuseabdeckung
- Nr 7 : Y3GE98060 – Stabilisator-Einheit
- Nr 8 : Y5Y198120 – Nocken-Einheit
- Nr 9 : Y3FK98020 – Schaltachsen-Einheit
- Nr 10 : Y3E498070 – Stellhebel-Einheit
- Nr 11 : Y3E998030 – Schaltzug-Einstellschraube komplett
- Nr 12 : Y5PV48000 – Nase fuer Schaltzug-Einstellschraube
- Nr 13 : Y3E998040 – Einstellschraube komplett fuer Achseinheit
- Nr 14 : Y3E998050 – Schaltzug-Klemmschraube komplett
- Nr 15 : Y3E998060 – Anschlagschrauben Komplett
- Nr 16 : Y5PV17000 – Spannfeder
- Nr 17 : Y5PV24000 – Dichtring fuer Spannfeder
- Nr 18 : Y3FK98030 – Kettenleitblech GS aussen komplett
- Nr 19 : Y3E998010 – Schaltrollen Satz
- Nr 20 : Y3E916000 – Kettenleitblech GS innen
- Nr 21 : Y5V598140 – Schaltrollenschrauben
- Nr 22 : Y04121000 – Spezialfett fuer Stabilisator





Rezensionen
Es gibt noch keine Rezensionen.